一、特点:
1.既可作电压互感器,又可作电流互感器使用;
2.立式穿芯,印刷线路板直接焊接安装;
3.精度高,采样范围宽,应用灵活;
4.全封闭,机械和耐环境性能好,电压隔离能力强,外形美观。
二、使用环境条件:
1.环境温度:-55℃~+85℃;
2.相对湿度:温度为40℃时不大于90%;
3.大气压力:860~1060mbar(约为650~800mmHg)。
三、工作频率范围:20Hz~20kHz。
四、绝缘耐热等级:B级(130℃)。
五、安全特性:
1.绝缘电阻:常态时大于1000MΩ;
2.抗电强度:3000V50Hz /1分钟(作电压互感器用时);
6000V50Hz /1分钟(作电流互感器用时);
3.阻燃性:符合UL94-V0级。
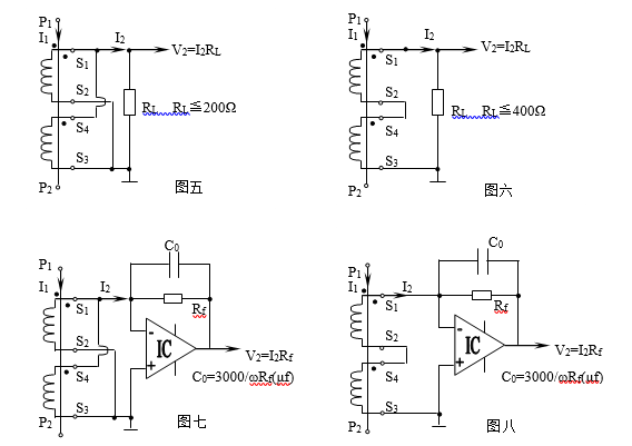
六、外形图、安装尺寸及线圈图见图所示:

七、典型应用及性能参数:
1.作电压互感器使用时:
TVA1421作为电压互感器作用时是一种电流型电压互感器,典型应用如图三和图四,性能参数见表一;

表一:

2.作电流互感器使用时:
TVA1421作电流互感器应用时,用户只要在中心孔穿1匝母线作为输入线圈,其次级有四种应用方法,分别如下图五、图六、图七、图八。性能参数见表二和表三。

表二:

表三:

八、注意事项:
本型互感器不管作电压互感器使用,还是作电流互感器使用时,其原理都是电流型互感器,所以次级电路不允许开路使用,也因于此,请不要在次级回路安装熔断器。