首页
产品中心
变压器
互感器
传感器
开关电源
电抗器
行业应用
电力自动化、智能化
电源设备
轨道交通
工业自动化
下载中心
新闻资讯
关于我们
联系我们
加入我们
登录
注册
EN
FMB50W系列产品
fmb50.png
FMB50W系列产品
单路输出模式
输出总功率50W
输出电压3.3~48V
小体积,高功率密度
自然散热,宽温度范围
FMB50W系列产品标准产品通用技术参数:

典型性能


单路输出模式


输出总功率50W


输出电压3.3~48V


小体积,高功率密度


自然散热,宽温度范围

 

输入特性





输入电压范围(DC)


18~36V




36~72V



遥控CNT


悬浮或接高电平on接地或接低电平off

 

输出特性





输出电压精度


Vout1标称输出电压±1%/Vout2标称输出电压±3%



负载效应


10%~100%Ionom变化时  Voutnom≤±0.5%



源效应


Vinmin~Vinmax变化时  Voutnom≤±0.2%



过流保护


120%~160%Iout1nom范围内输出关闭自动恢复



纹波及噪声


≤1%  Voutnommax



转换效率


见产品选型表



温度系数


≤±0.02%/ (最大值)



电压调节


±10%Vo


一般特性





隔离电压


Vin~VoutVin~CaseVout~Case三者之均≥500VDC/min



无故障间隔时间


≥1×10h



开关频率


300kHz左右



保护功能


输入过压欠压保护,输出短路过流过压保护



工作温度


40~+55



储存温度


−40~+85



相对湿度


20RH~90RH



冷却方式


风冷,散热器辅助散热

 

选型表






型号

输入电压范围
Vdc

输出电压/电流
V/A

最大容性负载(µF)

典型效率
%


 FMB50-24S3V3

18~36

3.3/10.00


91


FMB50-24S05

18~36

5.05/10.00


91


FMB50-24S12

18~36

12/4.16


93


FMB50-24S15

18~36

15/3.33


93


FMB50-24S24

18~36

24/2.08


91


 FMB50-48S3V3

36~72

3.3/10.00


91


FMB50-48S05

36~72

5.05/10.00


91


FMB50-48S12

36~72

12/4.16


93


FMB50-48S15

36~72

15/3.33


93


FMB50-48S24

36~72

24/2.08


92

 

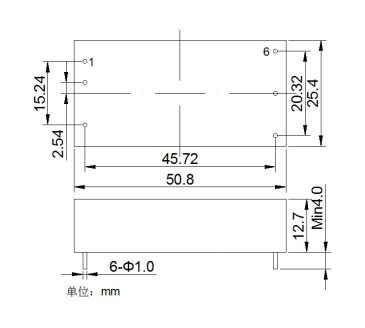
产品示意图

           image.png            

 

 


 

管脚定义







定义

1

2

3

4

5

6


单路

+Vin

GND

CTRL

TRIM

0

+Vo




应用案例
以市场需求为导向-不断创新-关注客户
标准产品预定
定制产品预定
搜索