一、特点:
1.立式穿芯,安装方式灵活,既可固定于母线上,又可固定在底板上;
2.输出为软线引出形式,便于在工程现场接线。
二、使用环境条件:
1.环境温度:-55℃~+55℃;
2.相对湿度:温度为40℃时不大于90%;
3.大气压力:860~1060mbar(约为650~800mmHg)。
三、工作频率范围:20Hz~1kHz。
四、绝缘耐热等级:B级(130℃)。
五、安全特性:
1.绝缘电阻:常态时大于1000MΩ;
2.抗电强度:可承受工频6kV/50Hz/1分钟;
3.阻燃性:符合UL94-V0级。
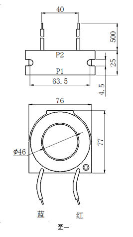
六、外形图、安装尺寸及线圈图:
1.外形图、安装尺寸见图一:

2.线圈图见图二:

七、典型应用及性能参数:
按图三所示应用时性能参数见下表:

产品型号 | 额定 输入电流 | 额定 输出电流 | 额定 采样电阻 RL | 额定 采样电压 | 相移 | 非线性度 | 线性范围 |
TA5565-1 | 100A | 0.1A | 6Ω | 0.6V | ≤30’ | ≤0.5% | 10倍额定 |
TA5565-2 | 200A | 0.1A | 12Ω | 1.2V | ≤30’ | ||
TA5565-3 | 300A | 0.1A | 18Ω | 1.8V | ≤30’ | ||
TA5565-4 | 400A | 0.1A | 24Ω | 2.4V | ≤15’ | 5倍额定 | |
TA5565-5 | 500A | 0.1A | 30Ω | 3V | ≤15’ | ||
TA5565-6 | 600A | 0.1A | 36Ω | 3.6V | ≤15’ |
注意:此系列互感器用于电机保护、软启动、大电流监控的场所。
● 说明:
a.实际应用中,采样电阻应小于或等于上表给出的额定值,这样会改善非线性度和相移;
b.若用户需要的变流比与上述不同,可按用户要求订制。
八、注意事项:
1.电流互感器初级应串联于被测电流回路中,次级应近似工作于短路状态;
2.电流互感器次级回路在工作时不允许开路,所以请不要装熔断器。