一、特点:
1.全封闭、耐环境性能好、绝缘隔离能力强,防潮抗震,外形美观;
2.电流互感器二次引线颜色不同便于区分同名端;
3.采用组合式互感器比采用同数量单体互感器更节省表内空间;
4.三相三线电路采用二位一体,三相四线电路采用三位一体。
二、使用环境条件:
1.环境温度:-55℃~+85℃;
2.相对湿度:温度为40℃时不大于90%;
3.大气压力:860~1060mbar(约为650~800mmHg)。
三、工作频率范围:20Hz~20kHz。
四、绝缘耐热等级:B级(130℃)。
五、安全特性:
1.绝缘电阻:常态时大于1000MΩ;
2.抗电强度:可承受工频2.5kV/1分钟;
3.阻燃性:符合UL94-V0级。
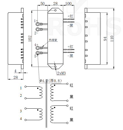
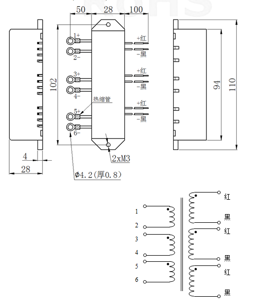
六、外形图、安装尺寸和线圈图:
1.适用于三相三线(STA1318A)外形图、安装尺寸和线圈图:

2.适用于三相四线(STA1318B)外形图、安装尺寸和线圈图:

● 说明:输入、输出引线的长短可以根据客户的要求特殊定做。
七、性能参数:
产品型号 | 额定 输入电流 | 额定 输出电流 | 最大 输入电流 | 额定 采样电阻 | 额定 采样电压 | 相移 | 非线性度 | 线性范围 |
STA1318A-1M (适用于三相三线) | 0.5A | 5mA | 2A | 5Ω | 25mV | ≤5’ | ≤0.1% | ≥3倍额定 |
10Ω | 50mV | ≤5’ | ≤0.1% | |||||
20Ω | 100mV | ≤10’ | ≤0.2% | |||||
40Ω | 200mV | ≤10’ | ≤0.5% | |||||
STA1318A-2M (适用于三相三线) | 1.5A | 5mA | 6A | 5Ω | 25mV | ≤5’ | ≤0.1% | ≥3倍额定 |
10Ω | 50mV | ≤5’ | ≤0.1% | |||||
20Ω | 100mV | ≤10’ | ≤0.2% | |||||
40Ω | 200mV | ≤10’ | ≤0.5% | |||||
STA1318B-1M (适用于三相四线) | 1.5A | 7.5 mA | 6A | 5Ω | 37.5mV | ≤5’ | ≤0.1% | ≥3倍额定 |
10Ω | 70mV | ≤5’ | ≤0.1% | |||||
20Ω | 150mV | ≤10’ | ≤0.2% | |||||
40Ω | 300mV | ≤10’ | ≤0.5% | |||||
STA1318B-2M (适用于三相四线) | 5A | 5mA | 20A | 5Ω | 25mV | ≤5’ | ≤0.1% | ≥3倍额定 |
10Ω | 50mV | ≤5’ | ≤0.1% | |||||
20Ω | 100mV | ≤10’ | ≤0.2% | |||||
40Ω | 200mV | ≤10’ | ≤0.5% |
● 说明:
a.实际应用中,采样电阻应小于或等于上表给出的额定值,这样会改善非线性度和相移;
b.若用户需要的变流比与上述不同,可按用户要求订制。
八、注意事项:
1.电流互感器初级应串联于被测电路中,次级应近似工作于短路状态;
2.电流互感器次级电路不允许开路,所以请不要在次级回路安装熔断器。